Những cải tiến về rang cà phê nổi bật từ thuở nguyên sơ đến nay
![]()
Kỹ thuật rang cà phê đã xuất hiện từ rất sớm ở thế kỷ XV và có những bước tiến vượt bậc cho tới ngày nay. Trải qua nhiều thế kỷ các nhà khoa học và sử học đã giúp chúng ta xác định cà phê có nguồn gốc từ đâu, bản thân lịch sử của cà phê đã vô cùng hấp dẫn đối với những người yêu mến chúng và chắc chắc rằng lịch sử phát triển của kỹ thuật rang còn thú vị hơn thế nữa. Chúng ta đã chứng kiến những công nghệ đáng kinh ngạc của các máy rang ngày nay, chúng vẫn còn được thử nghiệm để cải tiến chất lượng và hương vị, vì vậy thật khó để tưởng tượng dụng cụ rang đầu tiên đã được phát minh trong hoàn cảnh nào và kỹ thuật rang thời đó ra sao.
Rang cà phê số mẻ nhỏ
Theo truyền thuyết ở Ethiopia khoảng năm 800, Kaldi và đàn dê của anh đã phát hiện ra cây cà phê cùng tác dụng ngăn ngừa mệt mỏi của chúng. Thời điểm đó cà phê được xem là một loại thực phẩm, một số bộ lạc đã hái quả chín đỏ nghiền nát trong chiếc cối và chày đá thô sơ, nặn thành những viên hình tròn béo ngậy, ngọt ngào từ chất nhầy ăn cùng với súp trong các bữa sáng hoặc bữa trưa. Thế kỷ thứ XX việc ăn cà phê giảm dần thay vào đó người bản địa sử dụng chúng như một loại nước uống giúp gia tăng sự tỉnh táo trái cà phê được một số bộ tộc lên men thành rượu, trong khi những nơi khác đã rang, nghiền, đun sôi cà phê hoặc thêm bơ, sữa trâu nấu chảy để gia tăng hương thơm và giảm vị đắng.

(Đĩa rang bằng đất sét; nguồn ảnh: lincolnandyork)
Dụng cụ rang cà phê đầu tiên được biết đến là đĩa đất sét nung thô hoặc trong bình đá trên lò lửa đặt ngoài trời vào khoảng năm 1200 – 1300.
Giữa những năm 1400 – 1500 những chiếc đĩa rang cà phê bằng đất nung, kim loại hoặc sứ đã xuất hiện, chúng có hình tròn đường kính từ 10 – 15cm, dày khoảng 7cm hơi lõm hoặc có đục lỗ gần giống chiếc muôi trong bếp ngày nay. Loại chảo này còn được trang bị một thìa khuấy mỏng cùng một tay cầm dài để có thể giữ nó trên chậu chứa than nóng (thường được gắn trên chân và trang trí lộng lẫy) cho đến khi cà phê được rang chín. Chúng được sử dụng ở Thổ Nhĩ Kỳ và Ba Tư để rang một lượng nhỏ cà phê.
(nguồn ảnh: Pinterest)
Giữa năm 1500 – 1600 những người Ả Rập ở Bagdad và khu vực Lưỡng Hà sử dụng chảo nông có tay cầm dài cùng phần chân để đứng trên lửa rang. Tay cầm của những chiếc chảo này dài gần một mét, lòng chảo có đường kính 20cm, một thìa kim loại dài để cào hạt (gần giống với đĩa rang của Thổ Nhĩ Kỳ).

(Dụng cụ rang cà phê hình trụ năm 1650 – nguồn ảnh: All About Coffee)
Dung cụ rang hình trụ đầu tiên có tay xoay giúp hạt cà phê chuyển động xuất hiện ở Cairo khoảng năm 1650, thường được làm bằng kim loại đồng hoặc gang đóng thành hộp, tay xoay lấy ý tưởng từ máy xay bỏ túi của Thổ Nhĩ Kỳ được thiết kế để sử dụng trên các ngọn lửa ngoài trời hoặc lò sưởi. Đây có thể được xem là phiên bản đầu tiên của “trống rang” một phương pháp giúp cho cà phê được cân bằng nhiệt, chín đều và đỡ bị ám mùi khói so với chảo hở trên lửa.
Đến năm 1660 thiết bị rang cà phê của Elford được phát minh ở Anh, đây chỉ đơn giản là phiên bản lớn hơn của dụng cụ rang hình trụ bằng sắt tráng thiếc, được thiết kế cho mục đích gia đình và thương mại trong thời kỳ bùng nổ quán cà phê. Các biến thế kiểu Pháp, Hà Lan, Ý dần xuất hiện và phổ biến trong thế kỷ tiếp theo ở châu Âu, Anh, các thuộc địa của Mỹ.
Từ năm 1670 đến giữa thế kỷ XIX người Hà Lan hoàn thiện một chiếc trụ rang cà phê hình trụ khác bằng sắt tấm nhỏ, kín có tay cầm dài cho phép xoay chúng trong lò lửa. Trụ sắt có đường kính khoảng 12cm, dài từ 15 – 20cm được gắn vào một thanh sắt dài từ 1 – 1,2m tay cầm bằng gỗ, cà phê được đưa vào thông qua một cửa trượt, để giữ thăng bằng người ta đặt đầu thanh sắt nhô ra của trụ rang vào một cái móc cần trục trong lò sưởi và xoay đến khi hạt cà phê chuyển sang màu thích hợp. Kiểu rang gia đình này rất được ưa chuộng ở Hà Lan, Pháp, Anh và Hoa Kỳ đặc biệt là ở các vùng nông thôn.
(Trụ rang của người Hà Lan – nguồn ảnh: All About Coffee)
Giữa những năm 1700 – 1800 người ta tiếp tục phát triển một loạ
i bếp di động đốt than hoặc củi làm bằng sắt với xi lanh nằm ngang để rang cà phê, được trang bị một tay cầm để quay, mái che ba mặt và ba chân được thiết kế để đứng trên ngọn lửa hoặc trong đống tro tàn âm ỉ. Do công suất lớn hơn nên chúng có thể được sử dụng ở các quán trọ và quán cà phê.
(Bếp rang di động – nguồn ảnh: All About Coffee)
Máy rang cà phê thương mại phát triển
Những phát minh tại Anh và Hoa Kỳ
Việc uống rượu thường xuyên đã phổ biến ở Anh, hầu hết mọi người đều chọn rượu hoặc bia pha loãng thay vì phải uống nước sông ở London cho đến giữa thế kỷ XVII, sự xuất hiện của cà phê đã khơi dậy bình minh của sự tỉnh táo, đặt nền móng cho sự tăng trưởng ngoạn mục của nền kinh tế trong những thập kỷ sau đó. Cà phê dần phổ biến với những người bình thường ở Anh vào đầu những năm 1700, một bầu không khí thoải mái, giá rẻ chỉ trả bằng một xu cho một tách cà phê, các quán cà phê đóng vai trò như những ngôi nhà công cộng nơi tất cả mọi người được chào đón.
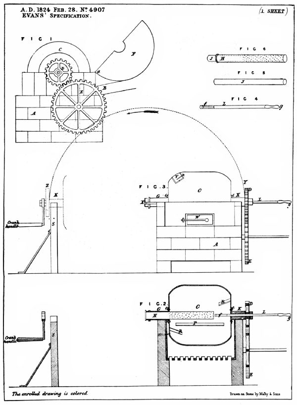
Đến thế kỷ XIX trong khi các nhà phát minh người Pháp đang bận rộn với nhiều bằng sáng chế cho những máy pha cà phê thì người Anh và người Mỹ đang nghiên cứu các phương pháp để cải tiến quy trình rang hạt cà phê. Rất nhiều bằng sáng chế khác nhau được trao ở Mỹ, châu Âu tiêu biểu là máy rang của Bull năm 1704 và Peregrine Williamson, ở Baltimore cho cải tiến máy rang năm 1820. Năm 1824 Richard Evans được cấp bằng sáng chế ở Anh cho phương pháp rang cà phê thương mại gồm một tấm sắt hình trụ lắp đặt mặt bích để trộn; một ống rỗng và một cái phễu để lấy mẫu cà phê khi đang rang; một trục để lật hoàn toàn máy rang cho cà phê ra ngoài.
Bằng sáng chế cho máy rang cà phê thương mại đầu tiên năm 1824 của Richard Evans – ảnh: All About Coffee

Mãi cho đến năm 1836 bằng sáng chế đầu tiên của Pháp về máy xay và rang cà phê kết hợp mới được cấp cho François Réné Lacoux ở Paris. Máy rang cà phê được làm bằng sứ, vì nhà phát minh tin rằng kim loại sẽ khiến hạt cà phê có mùi vị khó chịu khi rang. Năm 1841, Claude Marie Victor Bernard, ở Paris được cấp bằng sáng chế của Pháp về máy rang cà phê, một cải tiến được thiết kế để đưa trục quay và ngọn lửa tiếp xúc gần hơn là chồng một vòng tròn bằng sắt xung quanh mép lò để tăng gấp đôi lượng nhiệt hấp thụ. Nhưng người Pháp chỉ đùa giỡn với máy rang cà phê bởi vì rang ở Pháp vẫn chưa phải là một ngành kinh doanh riêng biệt giống như ở Anh và Mỹ

Một số máy rang cà phê thời kỳ đầu của Pháp – ảnh: All About Coffee

Đến năm 1847 – 1848 là phát minh của William và Elizabeth Dakin ở Anh, chiếc máy kết hợp giữa việc làm sạch, rang và nấu cà phê. Bao gồm một xi lanh được lót bằng vàng, bạc, bạch kim hoặc hợp kim được vận chuyển ngang vào hoặc ra khỏi lò rang bằng đường ray sắt bên trên; việc nấu cà phê áp dụng một truyền động trục vít vào đĩa nằm bên trong ống xi lanh đục lỗ chứa cà phê xay, khi quy trình rang diễn ra truyền động sẽ ép chất lỏng từ bã cà phê ra ngoài. Ý tưởng của Dakin đã không thành công do cà phê bị ảnh hưởng nghiêm trọng khi tiếp xúc với sắt tuy nhiên thiết bị đã cung cấp một cải tiến mới đó là lấy mẫu cà phê rang để kiểm tra mà không cần phải dừng lại.

(Máy rang Dakin năm 1848 – nguồn ảnh: All About Coffee)
Mô hình tỷ lệ 1:8 mô phỏng máy rang Dakin – ảnh: Science Museum, London
Trong cùng năm 1849 tiếp tục có hai cải tiến máy rang cà phê được cấp bằng sáng chế tại Anh và Hoa Kỳ. Máy của Apoleoni Pierre Preterre, ở Havre được cải tiến thêm bộ phận định lượng để chỉ ra sự giảm trọng lượng khi rang và tự động dừng quá trình rang; Thomas R. Wood, ở Cincinnati là chiếc máy rang hình cầu có thể sử dụng trong bếp trở nên phổ biến với các bà nội trợ thời bấy giờ.


Từ kiến thức chuyên môn của mình về kỹ thuật rang cà phê, Jabez Burns nhanh chóng vượt lên vị trí dẫn đầu trong ngành và trở thành một cố vấn xây dựng thương mại. Năm 1845 năng lượng hơi nước được sử dụng rộng rãi, những cơ sở trong và xung quanh New York sử dụng máy rang của Jabez Burns đã rang cà phê với số lượng lớn đáp ứng phần lớn nhu cầu tiêu thụ trong nước. Các cửa hàng tạp hóa, cà phê và trà nhỏ mua mỗi lần từ 10kg trở lên để tiêu thụ tại địa phương, phương pháp này đã làm giảm giá cà phê rang xuống và mọi thứ đều rẻ trong những ngày đó đưa cà phê tiếp cận được nhiều tầng lớp trong xã hội hơn. Về sau, ông còn đệ trình những bằng sáng chế khác liên quan đến thiết bị cà phê như năm 1867, 1872, 1874 là các máy làm mát, máy trộn và nghiền cà phê, hai máy rang cải tiến vào năm 1881, 1883 trước khi ông qua đời năm 1888.
Sự quan tâm của người Đức đến máy rang cà phê
Máy rang hình cầu (bên trái) và máy rang nhanh Meteor – ảnh: All About Coffee

Người Đức bắt đầu quan tâm tích cực đến máy móc cà phê năm 1860, rất nhiều bằng sáng chế cải tiến công nghệ rang được cấp từ những năm 1868 – 1879, tiêu biểu là máy rang hình cầu năm 1868 của Alexius Van Gulpen, máy rang có “hoạt động khuấy theo chiều dọc” năm 1877 của G. Tubermann’s Son cùng với bảy bằng sáng chế khác cho các nhà phát minh.
Van Gulpen là cái tên thường được nhắc đến nhất trong quá trình phát triển của máy rang cà phê Đức, trong số những phát minh của ông có một chiếc quạt gió tròn để cung cấp không khí tươi cho hạt trong khi rang, thiết bị dập lửa, rang và làm mát ống xả, một máy trộn trong ống xi lanh trong quá trình rang. Những cải tiến này được áp dụng trong cỗ máy Meteor của Công ty Van Gulpen & Co, cùng lúc đó họ cũng sản xuất máy rang hình cầu.
Xưởng đúc sắt của Emmerich đã được cấp một số bằng sáng chế của Đan Mạch, Áo, Đức từ năm 1881 đến 1892 và giành được quyền sản xuất máy rang theo sáng chế của Henneman, Hà Lan. Năm 1892 Theodore von Gimborn nghiên cứu và phát triển mát rang sử dụng ngọn lửa khí trần trong xi lanh quay, năm 1897 là bộ làm mát nghiêng hình tròn được tích hợp trong máy rang Probat và Perfekt

(Máy Max Thurmer do Dresden và Công ty Otto hợp tác sản xuất – nguồn ảnh: All About Coffee)
Sự xem trọng của người Đức lên máy rang nhanh bằng gas bắt đầu từ những năm 80, khi công nghệ thổi khí được áp dụng dựa theo máy của Roure ở Marseilles (năm 1877) cung cấp nhiệt từ các vòi phun lên xi lanh rang cà phê. Năm 1889, Carl Alexander Otto sản xuất một chiếc máy hình xoắn ốc để rang cà phê trong ba phút rưỡi gây tác động mạnh mẽ đến ngành công nghiệp cà phê của Đức và Pháp.
Máy rang nhanh đã nhanh chóng được sử dụng rộng rãi ở Đức, các xưởng rang trước đây thường mất từ 10 đến 17 phút giờ đây đã có thể rút ngắn thời gian tạo ra số lượng sản phẩm lớn hơn. Sau đó là hai quan điểm trái chiều về việc làm mát cà phê sau khi rang, theo Thurmer làm mát chậm và tự nhiên là tốt nhất đối với quá trình rang nhanh nhưng ngược lại Mottant cho rằng làm mát nhanh là điều cần thiết, ông cũng là người sản xuất ra dòng máy rang nhanh tên là Magic. Các máy rang nhanh khác của Đức là Combinator, Tornado và Rekord.

(Máy rang cà phê Magic của Mottant – nguồn ảnh: All About Coffee)
Các kỹ sư người Đức đã lưu lại những cải tiến sáng tạo cho kỹ thuật rang cà phê mà cho đến ngày nay vẫn còn được tích hợp trong máy rang hiện đại như máy thổi khí tròn để đưa không khí vào trong xi lanh, thiết bị làm giảm lửa, hệ thống làm mát và máy trộn cực kỳ quan trọng trong việc đẩy cà phê từ xi lanh vào máy làm mát. Đến năm 1892 Theodore Von Gimborn đã nhận được bằng sáng chế cho việc sử dụng ngọn lửa gas trong xi lanh quay. Việc phát hiện ra khí gas có nghĩa là mùi khói và hương vị do than và gỗ tạo ra trên ngọn lửa trần có thể được loại bỏ, dẫn đến hương vị cà phê được trong sạch hơn.

Máy rang điện Ben Franklin năm 1918 – ảnh: All About Coffee
Đầu thế kỷ XX điện đã trở nên phổ biến hơn nhiều doanh nghiệp bao gồm cả ngành cà phê đã áp dụng kỹ thuật rang cà phê bằng điện nhằm giảm thiểu số lượng lao động và nâng cao độ chính xác của quy trình rang. Trong thời kỳ này có ba phát minh đáng chú ý ở Hoa Kỳ là máy rang nhiệt điện của George C. Lester có hai trụ đựng cà phê bên trong làm bằng lưới thép bên ngoài bằng đồng và amiăng giữa hai trụ là bốn lò sưởi điện; tiếp theo là Robert H. Talbutt với lò sưởi điện nằm ở trung tâm lồng rang xi lanh; cuối cùng là cỗ máy làm nóng bằng điện có tên là Ben Franklin năm 1918 ở New York. Còn ở Đức năm 1906 là máy sử dụng các cuộc dây điện trở bao gồm các dây kim loại được quấn trên ống sứ truyền nhiệt cho không khí bên trong xi lanh rang.
Kết luận
Bài viết tổng hợp một số phát minh tiêu biểu của máy rang cà phê sơ khai với chặng đường dài và những nỗ lực không ngừng nghỉ của nhiều người trong nhiều thập kỷ. Tuy ngày nay với các tiến bộ khoa học công nghệ chúng ta đã hiểu rõ hơn về thành phần của cà phê những biến đổi vật lý và các phản ứng hóa học xảy rang trong quá trình rang, người rang cà phê đã được trang bị tốt hơn các kỹ thuật và máy móc đo lường các biến số nhưng cũng thật thú vị khi tìm hiểu lịch sử của các dụng cụ rang thuở sơ khai.
Nguồn tham khảo:

